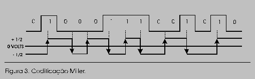
Codificação Miller

Esta codificação, também conhecida como modulação por retardo de fase ou, ainda, FM modificada, ocorre da seguinte forma: para o bit '1', realiza-se uma transição no meio do intervalo significativo do bit, para o bit '0' realiza-se a uma transição no fim do intervalo significativo do bit, se o próximo bit for '0'; caso o próximo bit seja '1', nenhuma transição é realizada no final do seu intervalo significativo .

Observa-se que ocorre uma transição no centro do bit, quando ele for '1', e uma transição entre dois bits '0' consecutivos.

O código Miller apresenta boa imunidade a ruído.